局部発振(ローカル)信号分配器 - 集中定数型 -

ローカル信号を送信/受信ミキサに分配するためのディバイダ―を検討します。

ディバイダ―にはいろいろな方法があります。

●抵抗分配方式 抵抗器だけで構成し、リアクタンスを含まないので周波数依存がありませんが、抵抗器で整合を担うため損失が大きくなります。分配損失を含め>6dBとなります。

●Wilkinson型 λ/4線路を用いインピーダンス変換を行い信号分配する方式です。P2-P3間のアイソレーションが得られるのが特徴です。分配損失は>3dBとなります。

抵抗分配方式では損失が大きく、今回ローカル信号出力に増幅器を挿入したくないのでリアクタンス素子による方式とします。

分布定数によるウィルキンソン型では線路長が長く大きくなります。集中定数に置き換えるとインダクタ2個、容量3個、抵抗1個となります。またポート間のアイソレーションが不要な部分に使用しますのでもっと簡単な方式を検討します。

分配出力(P2,P3)を単純に接続してできた合成インピーダンスと入力ポート(50Ω)との整合を取るためのλ/4線路を挿入する方式です。この線路はFR4を基板に使用した場合、ストリップラインの幅が5mmで長さが47mmと大きくなってしまいます。この特性を次に示します。

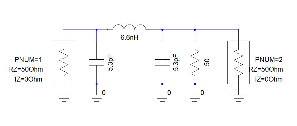
850MHzで設計しても分布定数回路だと僅かな損失変動さえ気にしなければ、かなり広帯域で使用できそうですね。これを集中定数に置き換えてみました。

集中定数回路に置き換えた時のシミュレーション結果です。構成が3次のLPFと同じで、局発信号の2倍、3倍高調波抑圧に効果がありそうです。

容量に0603サイズの5pF、インダクタに0402サイズの6.2nH(ともに村田製作所製)を使用して実測してみました。

右の特性はインダクタ上にシールド壁を設置した時の特性です。2倍の高調波に対して35dB、3倍の高調波に対して30dBの減衰があり、ディバイダ―だけでのローカルスプリアスに対して効果が期待できそうです。

実験に使用した基板です。

コメント

タイトルとURLをコピーしました